Patent DE 10 2023 118 056
Positioning system with a controller and method for its configuration
The ongoing miniaturisation of technical products is leading to a growing demand in many industrial sectors for precision machines that can measure and process the smallest structures and objects with high accuracy. A new control concept for the compensation of interference forces makes a major contribution to increasing the precision of the drive systems required for this.
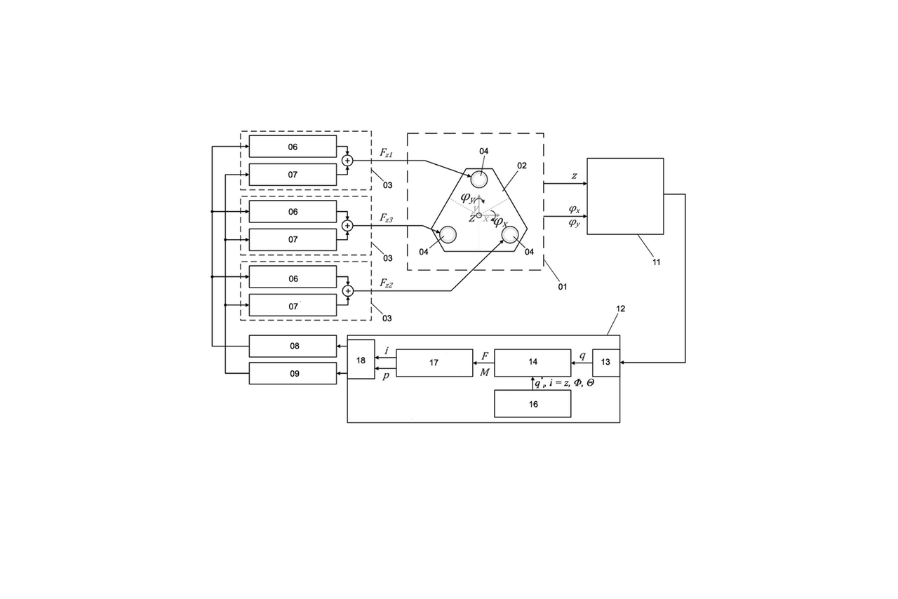
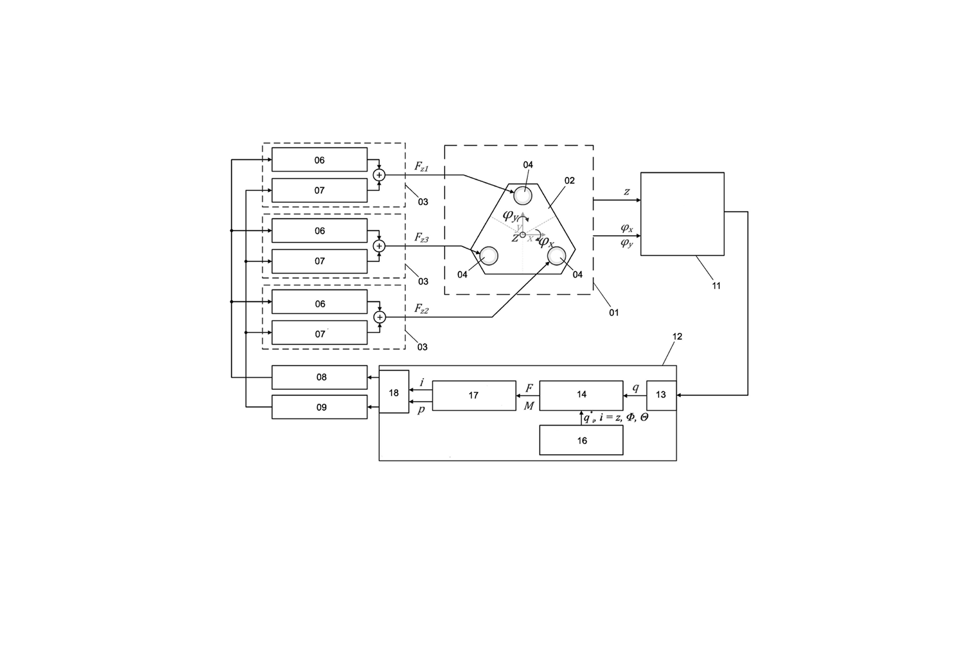
Highly dynamic multi-coordinate direct drive systems, such as those developed at IMMS, allow objects to be positioned in working ranges of several hundred millimetres in the shortest possible time with nanometre precision. Operation takes place in a closed control loop, i.e. a complex control algorithm calculates new target values for the drives from measurement data on the actual state of the positioning carriage. The newly developed control concept with an extended dynamic observer enables very effective compensation of disturbance variables and thus results in a significant increase in drive precision in dynamic operation.
The idea behind the invention is a novel control concept for a nanometre-precise drive system with three lifting and actuating units (LAUs), which generate vertical movements and tilts around horizontal axes. In addition to the aerostatic guide, a single LAU contains two parallel-acting actuators for generating and transmitting a vertical force to the moving part. Precise vertical and tilting movement of the slider is only possible through the joint controlled operation of the three LAUs. The innovation in the control concept presented is the realisation of the decoupling with the aid of a disturbance estimator, which acts as an extended dynamic observer and predicts the acting disturbance forces. These estimated disturbances are used in the controller to compensate for actual disturbance forces and to counteract crosstalk between the axes as well as errors or environmental influences that can be modelled as disturbances.
Advantages of the invention
- Compensation of interference forces without their precise measurement
- Adaptive adjustment to long-term changes in interference
- Multi-axis coupled positioning systems can be controlled with the aid of single-axis controllers
- Increased precision of the multi-axis drive in dynamic operation
Patent No.:DE 10 2023 118 056
Inventor:Alex S. Huaman
Application:
High-precision nanopositioning| application or production of high-precision measurement and production technology systems (e.g. semiconductor/microelectronics production)Research field:Magnetic 6D-direct drives with nanometre precision
granted patent
Application date:07 July 2023
Date of first publication:02 October 2024
Date of publication of grant:02 October 2024
Related content

Project
NanoFab
IMMS has been working on solutions for a highly dynamic drive system for multi-axis manufacturing and processing of objects with nanometre precision in the Research Training Group 2182 ”NanoFab“.

Press release,
iENA-Silbermedaille für Beobachter der Atome
Neues Regelungskonzept zur sub-nanometergenauen Positionierung

Press release,
Ready for Take-off – Vertikalantrieb für die 3D-Nanofertigung vorgestellt
IMMS-Doktorand verteidigt Promotion im DFG-Graduiertenkolleg NanoFab
Determination of yaw angle of mirror origin in a 6-DOF nanopositioning stage
Davi Anders Brasil1. Michael Katzschmann1. Steffen Hesse1. Ludwig Herzog1. Thomas Kissinger2. Thomas Fröhlich2.International Scientific Symposium on World Interferometry Day 2026, 20. April 2026, Ilmenau, Germany
1IMMS Institut für Mikroelektronik- und Mechatronik-Systeme gemeinnützige GmbH (IMMS GmbH), Ehrenbergstraße 27, 98693 Ilmenau, Germany. 2Institute of Process Measurement and Sensor Technology, Technische Universität Ilmenau, Germany.NPS6D200: Long-Range-6D-Nanopositionierung mit interferometrischem Feedback für das Closed-Loop-Regelungssystem
Steffen Hesse1.Experten-Tag für Präzisionsmesstechnik, Oktober 28-29, 2025, bei SIOS Meßtechnik GmbH, Ilmenau, Germany
1IMMS Institut für Mikroelektronik- und Mechatronik-Systeme gemeinnützige GmbH (IMMS GmbH), Ehrenbergstraße 27, 98693 Ilmenau, Germany.Nanometer-Positionierung mit 6D-Regelung
Steffen Hesse1.Mikroproduktion, Fachmagazin, Ausgabe 03/2025, Seite 44-48
1IMMS Institut für Mikroelektronik- und Mechatronik-Systeme gemeinnützige GmbH (IMMS GmbH), Ehrenbergstraße 27, 98693 Ilmenau, Germany.Herausforderungen und Lösungsansätze bei der Entwicklung kraftgekoppelter Hochpräzisions-Vertikalantriebe
Ludwig Herzog1.18. Jahrestagung „Feinwerktechnische Konstruktion“, September 25-26, 2025, Dresden, Germany
1IMMS Institut für Mikroelektronik- und Mechatronik-Systeme gemeinnützige GmbH (IMMS GmbH), Ehrenbergstraße 27, 98693 Ilmenau, Germany.

Event,
WID 2026
International Scientific Symposium on the occasion of the World Interferometry Day 2026
Contact
Contact
Dr.-Ing. Ludwig Herzog
Head of Mechatronics
ludwig.herzog(at)imms.de+49 (0) 3677 874 93 60
Dr. Ludwig Herzog will provide detail on our research on magnetic 6D direct drives with nm precision for the nm measurement and structuring of objects. He supports you with services for the development of mechatronic systems, for simulation, design and test of MEMS as well as for finite element modelling (FEM) and simulation.









