Patent DE 10 2008 050 540
Arrangement for processing an analogue sensor output signal of at least one optical sensor
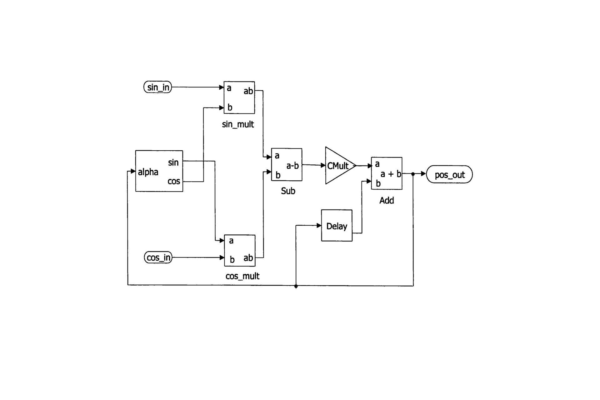
Arrangement for processing an analogue sensor output signal (Sa) of at least one optical sensor (1), for position determination, in the form of a position determination unit (1a) combining the optical sensor and components for determining the position, with at least one optical sensor and an interpolator module (2) connected to the optical sensor and arranged directly behind the sensor and combining the components for determining the position from the sensor signal, characterised in that the interpolator module contains an AD converter unit (3) for generating a digitised sensor signal (SD) and a programmable signal processing unit (4) for calculating an interpolated position value (P), that the interpolator module contains an AD converter unit (3) for generating a digitised sensor signal (SD) and a programmable signal processing unit (4) for calculating an interpolated position value (P), wherein the signal processing unit (4) is designed as a programmable hardware, wherein the programmable hardware has a hardware-implemented program code for a tracking unit (8) for carrying out an interpolating position determination, wherein the hardware-implemented program code is designed for a tracking algorithm for a control loop support distance compensation calculation.
Patent No.:DE 10 2008 050 540
Inventor:Sebastian Uziel
Application:
Angle or length measuring devices for position determination in drive technology (e.g. linear motors| planar motors)Research field:Magnetic 6D-direct drives with nanometre precision
granted patent
Application date:06 Oktober 2008
Date of first publication:29 April 2010
Date of publication of grant:06 August 2015
Contact
Contact
Dr.-Ing. Ludwig Herzog
Head of Mechatronics
ludwig.herzog(at)imms.de+49 (0) 3677 874 93 60
Dr. Ludwig Herzog will provide detail on our research on magnetic 6D direct drives with nm precision for the nm measurement and structuring of objects. He supports you with services for the development of mechatronic systems, for simulation, design and test of MEMS as well as for finite element modelling (FEM) and simulation.



