Patent DE 10 2020 123 949
Electrochemical sensor arrangement and use of a photoelectric sensor for determining charge carriers in a medium
There is a need to characterise a substance or analyte in a medium in a wide range of applications, particularly bioanalytical applications in medicine such as DNA sequencing, DNA hybridisation or the detection of antibody-antigen reactions. This can be done, for example, by detecting charge carriers (e.g. ions or charged particles, such as H+, Na+ and Cl- ions) and the change in the number of charge carriers.
Conventional systems (e.g. with ISFETs) for the described characterisation of substances require an additional reference system in the form of a reference electrode. Standard hydrogen electrodes, calomel electrodes, Ag/AgCl electrodes or precious metal electrodes are used as reference electrodes, for example. The requirement for reference electrodes generally has the disadvantage that this always influences the measurement at the measuring electrode and that, for example, unwanted exchange of charge carriers occurs due to drift or potential shift. The reference electrode makes the overall system complex and expensive. The reference electrodes also wear out over time, which increases the maintenance costs of the corresponding sensors.
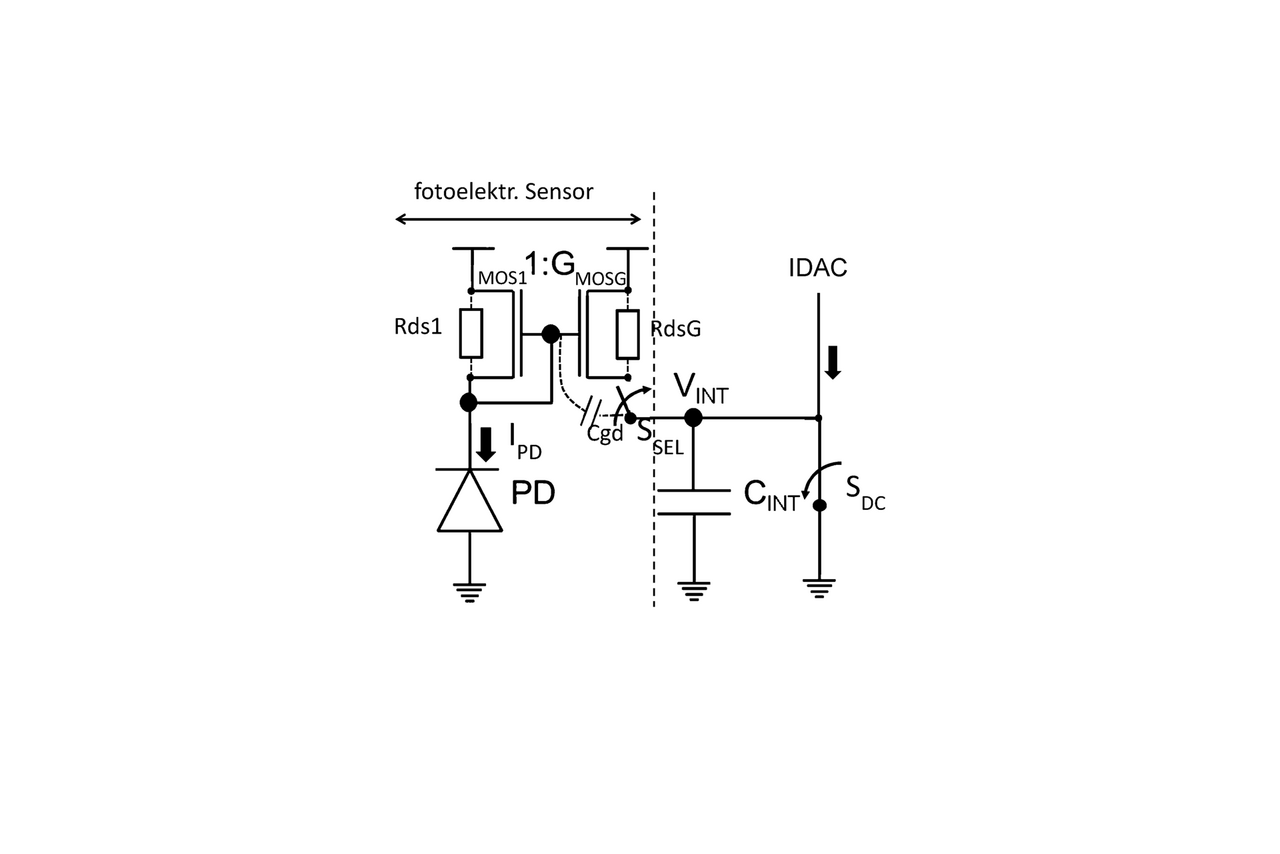
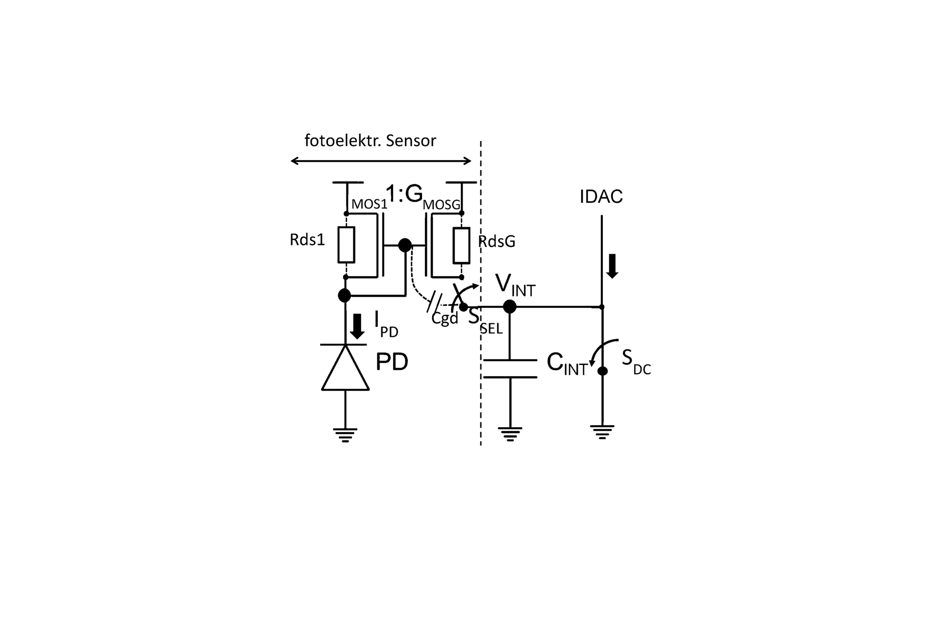
The idea of the invention is to use a photoelectric sensor of a different type to determine charge carriers in a medium. The photoelectric sensor is not used as an optical sensor, but instead special electrochemical effects are utilised which occur on the electrically insulated (passivated) sensor surface of the photoelectric sensor, in particular on a photodiode, when a medium containing charge carriers is applied there. This photoelectric sensor does not require an additional reference system.
The sensor arrangement comprises a photoelectric sensor surface, a feed arrangement via which the medium can be applied directly to the photoelectric sensor surface, and an evaluation circuit which determines a change in the sensor current at the photoelectric sensor surface caused by the charge carriers in the applied medium.
Patent No.:DE 10 2020 123 949
Inventor:Alexander Hofmann
Application:
Sensor concept for bioanalytical applications in medicineResearch field:Integrated sensor systems
publicated patent application
Application date:16 September 2020
Date of first publication:17 März 2022
Contact
Contact
Eric Schäfer, M. Sc.
Head of Microelectronics / Branch Office Erfurt
eric.schaefer(at)imms.de+49 (0) 361 663 25 35
Eric Schäfer and his team research Integrated sensor systems, especially CMOS-based biosensors, ULP sensor systems and AI-based design and test automation. The results are being incorporated into research on the lead applications Sensor systems for in-vitro diagnostics and RFID sensor technology. It will assist you with services for the development of Integrated circuits and with IC design methods.



