Projekt 4TPixel
Der IMMS-Chip für eine neuartige Pixelzelle soll rauschärmere und hochwertigere Lichtbilder für Röntgenapplikationen ermöglichen.
Um die Diagnostik und damit die Behandlungsmöglichkeiten für Patienten zu verbessern, werden unter anderem bildgebende Verfahren, wie Röntgenaufnahmen, Computer- und Magnetresonanztomographie (MRT und CT), seit Jahrzehnten kontinuierlich weiterentwickelt. Um jedoch Radiologie-Patienten eine immer geringere Strahlenbelastungen zu ermöglichen, wird an immer empfindlicheren Sensoren sowie an schnelleren und genaueren Bildverarbeitungsprozessen durch leistungsfähigere Auswerteelektronik geforscht.
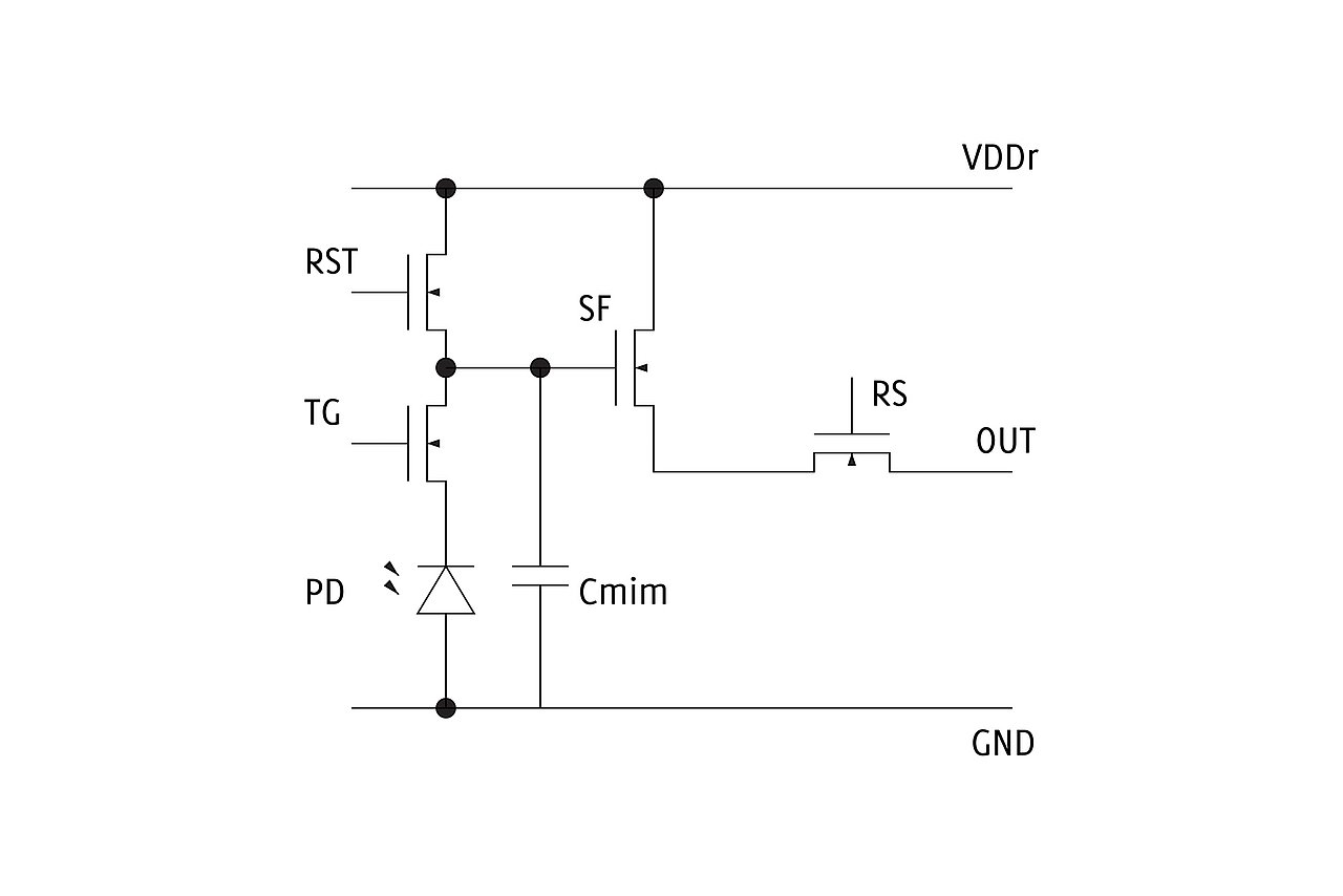
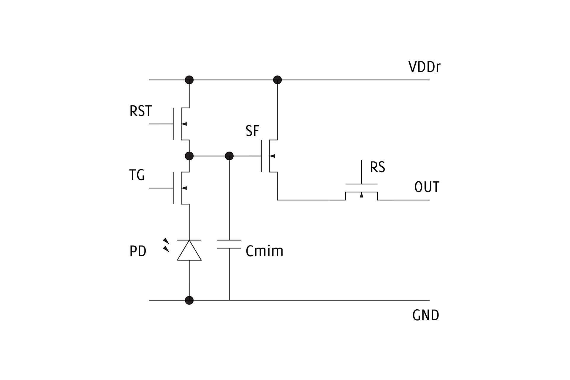
Das IMMS hat mit einem ASIC-Entwurf zu einem Vier-Transistor-Pixel-(4TP)-Array-Demonstrator beigetragen: Mit der von der X-FAB Semiconductor Foundries AG technologisch vollständig neuentwickelten Pixelzelle sollen künftig zusammen mit der Ausleseschaltung des Instituts rauschärmere und qualitativ hochwertigere Aufnahmen zweidimensionaler Lichtbilder für Röntgenapplikationen angefertigt werden. Die für grünes Licht empfindliche 4TP-Zelle beinhaltet einen großen lichtempfindlichen Bereich und vier Transistoren für den rauscharmen Auslesevorgang.
Die für diese Bedingungen vom IMMS entworfenen integrierten Schaltungsstrukturen und realisierten Ausleseprozesse ermöglichen eine hohe Genauigkeit in der Auswertung. Sie tragen darüber hinaus zu einem großen Dynamikbereich des Demonstrators bei, indem erfasste sehr schwache aber auch sehr starke Lichtsignale entsprechend verarbeitet werden.
Akronym / Name:
4TPixel / ASIC-Entwicklung für RöntgenapplikationenLaufzeit:2013 – 2014
Anwendung:
Life Sciences|RöntgenForschungsfeld:Integrierte Sensorsysteme
Zugehörige Inhalte
Kontakt
Kontakt
Eric Schäfer, M. Sc.
Leiter Mikroelektronik und Institutsteil Erfurt
eric.schaefer(at)imms.de+49 (0) 361 663 25 35
Eric Schäfer und sein Team erforschen Integrierte Sensorsysteme und hier insbesondere CMOS-basierte Biosensoren, ULP-Sensorsysteme und KI-basierte Entwurfs- und Testautomatisierung. Die Ergebnisse fließen in die Forschung an den Leitthemen Sensorsysteme für die In-vitro-Diagnostik und RFID-Sensoren ein. Er unterstützt Sie mit Dienstleistungen rund um die Entwicklung integrierter Schaltungen und mit KI-basierten Methoden für komplexe IC-Entwürfe.




